CADEditorX User Interface permet de mesurer la distance entre deux points, aires et périmètres avec une possibilité de réglages intuitifs du facteur d’échelle pour les mesures. Aucun calcul supplémentaire est nécessaire! Faites un peu cliques et les résultats seront affichés sur l’écran. S’il est nécessaire, on peut les copier dans un document ou continuer à mesurer et les utiliser plus tard.
Comment peut-on mesurer à l’aide de CADEditorX User Interface?
L'option Paramétrer la taille à permet d'obtenir des mesures précises de toutes les parties du dessin même si ces éléments sont tracés dans les échelles différentes. Cette option calcule le facteur d'échelle automatiquement comme un rapport d'une valeur entrée à la valeur réelle de la distance mesurée.
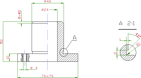
Par exemple, nous avons une représentation d'une pièce et de son fragment dans une plus grande échelle.

Pour recevoir des dimensions réelles du fragment au mesurage il faut indiquer le facteur d'échelle. Veuillez activer l'outil Distance de l'onglet Visionneuse du grouppe Mesurer. Veuillez mesurer la partie supérieure de la pièce dont le diamètre est 40 unités. La ligne mesurée est marquée avec la couleur rouge dans le dessin suivant. Les résultats seront affichés dans la palette Mesurer.

Indiquez la nouvelle valeur pour la distance mesurée. Pour que les dimensions réelles du fragment agrandi soient affichées dans la palette Mesurer au mesurage, entrez la nouvelle valeur pour la distance mesurée dans le champ Paramétrer la taille à.... L'échelle du fragment est 2:1, donc, la nouvelle valeur de la distance mesurée est 20. Tapez cette valeur dans le champ Paramétrer la taille à... et appuyez sur la touche Entrée.
Go to CADEditorX